《电网技术》,值得信赖的电力学术期刊




基于频域无源性的LCL并网变流器解耦补偿方法/唐欣,刘惠萃,李珍,唐凯璇,屈贝,柏翔宇
DOI:10.13335/j.1000-3673.pst.2024.1950
研究背景
提高新能源发电渗透率是实现“碳达峰”、“碳中和”战略目标的重要手段。随着风电、光伏等分布式电源大规模接入,电力系统呈现弱电网特性,大量变流式新能源机组并网易引发宽频振荡问题,影响系统安全稳定运行。在并网变流器系统中,锁相环(phase-locked loop,PLL)和电压外环结构不对称使系统具有频率耦合特性,放大频率振荡的影响,对系统稳定性构成威胁。另一方面,在弱电网工况下,电网电压前馈与电网阻抗的交互影响导致系统稳定裕度下降,对系统的稳定性造成负面影响。现有文献中少有研究同时考虑弱电网下PLL、电压外环与电网电压前馈等对并网变流器稳定性的影响。因此,LCL型变流器控制环节与电网阻抗交互所引发的失稳问题仍需进一步探讨。
主要内容及创新点
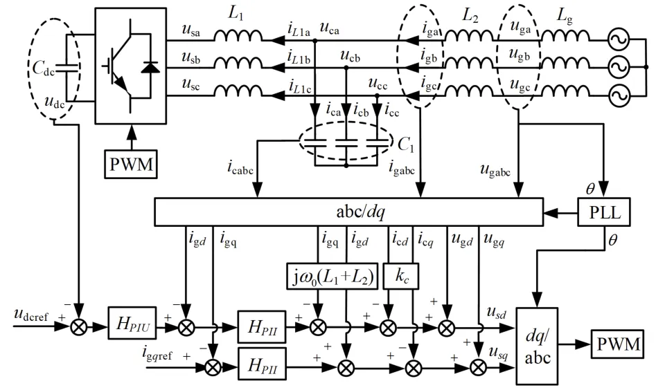
1)以三相LCL型并网变流器为研究对象,建立了dq坐标系下的输出导纳小信号模型,提出了一种基于频域无源性的解耦补偿控制方法。首先,针对PLL和电压外环的不对称问题,引入解耦补偿因子,消除系统的频率耦合特性,并抵消PLL引入的负阻尼效应,使输出导纳矩阵简化为对称形式。其次,针对电压前馈与电网阻抗交互作用导致相位裕度下降的问题,在电网电压前馈通路中加入一阶惯性补偿环节,消除电压前馈引入的负导纳特性。

图1 加入解耦补偿后的系统控制框图
2)基于频域无源性理论,对前馈补偿环节中的一阶惯性环节的参数进行整定。为保证电网电压前馈对背景谐波的抑制能力,在目标频段内尽可能减小输出导纳的幅值,选取
rad/s。将输出导纳Y2dd分解为电流环相关导纳Yi与电压前馈相关导纳Yua,通过子导纳合成相量图推导得出,比例增益系数ka取值的上限表达式,实现系统的无源性重塑,显著提升系统在弱电网下的稳定裕度。

图2 子导纳Yi和Yua及输出导纳Y2dd合成相量图
3)通过仿真与实验验证了所提方法的有效性与鲁棒性。结果表明,变流器输出序导纳的相位始终位于[-90°, 90°]的无源区域,所提补偿策略能有效消除频率耦合现象,显著提升系统在弱电网条件下的稳定性,并在电网电压单相跌落和工作点切换时保持良好的动态性能。

图3 补偿前后序导纳元素bode图
03
研究结论
1)PLL和电压外环结构不对称,导致系统中出现频率耦合现象。通过在控制结构中加入解耦补偿矩阵,可消除系统的频率耦合特性及PLL的负面影响,同时简化输出导纳模型;针对电网电压前馈引入的非无源区域,在前馈通路中加入补偿环节进行相位校正,提升了系统相位裕度,实现了序导纳模型全频段无源。
2)系统在平衡点出现的频率耦合和失稳问题,可以通过系统小信号模型重塑予以解决。
3)采用所提补偿方案,在电网阻抗宽范围变化时,系统仍具有良好动态性能和稳定性能,有效提升了变流器系统对弱电网的适应能力。

图4 本文所提方法实验验证结果
后续研究方向或讨论话题
随着新能源渗透率的持续攀升,大规模风电、光伏场站通过多台并网变流器并联接入电网已成为常态。在多机并联系统中,变流器之间的交互耦合效应使得系统稳定性分析更加复杂,宽频振荡的诱发机理和传播路径尚不明晰。后续研究可重点围绕多变流器并联系统的等效建模与稳定性分析方法、基于无源性的协同控制策略、振荡抑制与阻抗重塑技术等方向展开,进一步揭示宽频振荡在多机并联系统间的传播演化机理,提升多机系统的整体稳定运行能力。
参 文 格 式
唐欣,刘惠萃,李珍,等.基于频域无源性的LCL并网变流器解耦补偿方法[J].电网技术,2026,50(1):312-323.
Tang Xin,Liu Huicui,Li Zhen,et al.Decoupling compensation method for LCL-type grid-connected converters based on frequency domain passivity[J].Power System Technology,2026,50(1):312-323(in Chinese).
相关文献扩展阅读
唐欣,李珍,唐凯璇,等.弱电网下提高并网变流器稳定性的导纳重塑方法[J].中国电机工程学报,2024,44(15):6123-6136.
唐欣,何洋,李珍,等.弱电网下并网变流器相位裕度的分频段补偿方法[J].中国电机工程学报,2024,44(4):1565-1575.
TANG Xin,LI Zhen,WANG Wen,et al.A decoupling control method for converting DIDO sequence admittance model of grid-tied converter system into SISO[J].IEEE Transactions on Energy Conversion,2023,38(4):2647-2661.
团队介绍

长沙理工大学电能变换与安全运行控制团队依托电网防灾减灾全国重点实验室从事新能源发电并网、直流输配电和储能电站安全运行控制等领域研究,团队入选了教育部课程思政教学名师团队,现有教授3人,承担国家自然科学基金11项,各类省部级基金及其他横向项目50余项,发表高水平论文200余篇,授权国家发明专利50余项,成果转化17项,获湖南省科学技术进步二等奖1项,湖南省教学成果二等奖1项。
作者简介

唐欣,博士生导师,电网防灾减灾全国重点实验室副主任,湖南省优秀教师。主要从事新能源并网技术和柔性直流配电技术研究,主持国家自然科学基金4项,发表论文80余篇,获多项省部级科技和教学成果奖励。

刘惠萃,硕士研究生,研究方向为电力电子在电力系统中的应用。

李珍,博士研究生,研究方向为电力电子在电力系统中的应用。
制作:毛 馨
责任编辑:宋钰龙
审核:李兰欣
本文为原创作品,所涉及文字及图片版权均属《电网技术》编辑部所有,根据国家版权局最新规定,纸媒、网站、微博、微信公众号转载、摘编我社的作品,务请提前联系我编辑部。个人请按本微信原文转发、分享。

